LR8859 is a remote-controlled relay unit for switching up to 14v DC / 5A on 4 separate circuits.
It comes with two 4-button key-fob remotes that have pre-installed 27A batteries - these have ~30m range and up to 250 remotes can be paired with each LR8859 unit. Additional remotes are available as LR8882.
Each relay output can be controlled individually by the corresponding remote button, and dipswitches allow each relay to be set to momentary (only switches whilst button is pressed) or latched (stays switched until you press the button again).
If you need to switch more than 14v DC / 5A, you will need to connect the outputs to an external relay rated for your power requirements.
There are two "state" wires for each channel, so you can pick a circuit state that is either is Normally Open (NO - not connected) or Normally Closed (NC - connected). A third wire provides common input for each state.
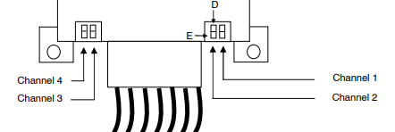
LR8859 connection example
Optional: If you want to control a device attached to LR8859 with a remote wired switch as well as by key-fob, you can do this by adding a LR8880.
The LR8880's harness gets wired to external switches, and LR8880 is paired to LR8859 wirelessly, with a range of up to 100m - up to ten LR8880 can be paired to LR8859.
When you close a switch connected to the LR8880 harness, the corresponding relay output will be triggered on the LR8859. Note that you can not connect any remotes or devices to LR8880 - it is a transmitter only.
LR8859 controlled by LR8880 connection example
LR8859 setup:
- Connect your LR8859 wiring harness to 12v DC power (red wire to +12v / black wire GND)
- Plug in the wiring harness to power on the LR8859 unit
- Check remotes are paired - the LR8859 should click when you press a remote button
- To pair remotes, tap the button in the side, press a remote button, and wait till the LED stops
- Connect devices you wish to control to the channels (NC or NO + COM for each)
- Test your devices are switching. They should switch whilst you press the remote button.
- For the device to stay on until you press the remote again, move the channel dipswitch from D to E
LR8880 setup:
- Connect the LR8880's wiring harness to external switches (NC/NO for each channel)
- Connect the LR8880 red/black harness wires to 12v DC for powering the LR8880 unit.
- Plug in the wiring harness to power on the LR8880 unit - the LED should blink frequently
- Tap the pairing button on the side of the LR8859 unit that you want to control
- Tap the pairing button on the side of the LR8880, and wait approximately 10 seconds
Close one of the switches wired to the LR8880 and it will wirelessly trigger the corresponding channel on a paired LR8859 unit.
Notes:You can set the outputs on LR8859 to be momentary or latched, but when using LR8880 to control the LR8859, the outputs on LR8859 will remain latched only whilst the corresponding switch on LR8880 is closed.
The LED on LR8859 will light whenever it detects a signal from a compatible remote, but the relay channels will only switch when a paired remote is used. To pair remotes with LR8859, tap the button in the side of LR8859, press a remote button, and wait till the LED stops blinking.
To unpair remotes and LR8880s from LR8859, press and hold the LR8859 pairing button for at least 5 seconds, and ALL remotes and LR8880s will be unpaired. It is not possible to unpair a single remote or LR8880 individually.
If you trigger an output simultaneously on LR8859 by using both a remote and a paired LR8880 with a switch, the last input it receives will take effect.
The POWER and GND wires are for powering the LR8859/LR8880 themselves, and will not power your devices. You need to provide power to your devices separately, by connecting one side of the device power circuit directly to your DC power source, and the other through the relay outputs (COM + NO or NC) of the LR8859. Make sure the device does not draw more than 14v DC 5A, or you will need to add an external relay.
Comments
0 comments
Article is closed for comments.